

變頻器假負載的原理就是用一個來限流的電阻,當模塊驅動不正常發生模塊短路時保住模塊,通常采用燈泡作假負載,電源是380v的用兩個220/60w串聯,用燈泡的優點是其會發光,當啟動變頻器(不能接電機)后燈泡亮了,就說明有不正常情況。這個電阻起到限流作用,當模塊有短路時也不會把模塊燒掉,等開機后測量變頻器輸出正常,才把這假負載撤掉。以下通過一個使用實例來說明變頻器假負載的用法:
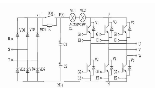
變頻器假負載如何連接:假負載連接在直流儲能電容與三相IGBT之間,在電路中一般為連接銅排或快熔,有快熔的直接連接即可,無快熔拆去一段連接銅排即可,實際上就是將三相逆變IGBT正電源與直流儲能電容之間斷開。必須在電容后面,如在充電接觸器之間,直流電容儲能的電量,在逆變電路出現問題時足以將IGBT炸掉。
在斷開點加入兩只25w 220V供電的燈泡,采用兩只的目的為直流回路電壓為540V左右,單只燈泡的耐壓不夠。當維修變頻器逆變電路出現問題的時候,燈泡有限流的作用,保護逆變模塊。

上電過程:
空載:輸出不接負載,如上電后出現以下幾種情況
A:變頻器不運行,一上電燈泡就亮,說明三只逆變模塊中至少有一只上下橋IGBT 漏電,這種問題,有些時候低電壓的時候不會表征出來,但接上直流540V高壓時,出現了較大的漏電流,說明模塊內部絕緣有問題。出現此種問題可以單只IGBT拆除,如拆掉U相燈泡不亮了,那就說明U相壞了。
B:上電后無問題,但是一運行就亮,燈泡的亮度隨頻率的變化而變化。說明三相模塊中出現了一相上橋或下橋損壞的情況。舉例說明,假設U相上橋V1收到觸發激勵信號而飽和導通,已經損壞的U相下橋V2與已經飽和導通的V1就形成了電源的短路,故而發光。
C:上電后與運行都不亮,此時可以使用指針表的交流檔測量三相輸出電壓,是否隨頻率增長均勻增長而且三相平衡。此時說明模塊基本問題不大,可以帶上負荷實驗了。
D:上電與運行燈泡都不亮,測量三相輸出的電壓不平衡,那就說明某相IGBT內部開路,造成導通內阻增大,接近開路狀態。
出現此種問題如何測量:
1、使用指針萬用表的直流檔測量三相輸出與地或進線零線間的電壓,正常情況下直流成分幾乎為零,如果出現直流電壓說明其中某相上下橋的一個橋導通不良,導致輸出的正負半波不對稱。2、測量三項輸出與直流母線電壓的正負端,正常情況下均分直流母線電壓,如果出現某相測量的時候大于母線電壓的二分之一或直接接近母線電壓說明此相IGBT半橋導通不良。
但是也要注意幾個問題:
1、要接在電容與模塊之間,不是接在整流與電容之間,因為電容放電就足以燒壞模塊。
2、當開關電源供電是經過快熔時,就不能把假負載放在快熔上,不然送電后燈泡會亮,開關電源有時不工作!
3、假負載也要接在直流電壓檢測點后面,這樣當變頻器輸出不正常電燈亮時,變頻器就不會跳“低壓”,你才可檢查是哪一路輸出有故障!
假負載深受變頻器維修新手的歡迎,因為假負載簡單易做,成本低,有了它就可放心直接裝上模塊試機,可以保住了不少模塊,也不必經常用示波器看波形,變頻器輸出電壓平衡則基本大功告成。不過這些只適用于功率不大的變頻器,像有些七八十KW,上百KW的變頻器,是不可能有這么大的電源容量,這就需要廠房和專業實驗設備。維修后的變頻器,最好還是能按照變頻器的型式試驗去做,再交付給用戶,這才是最保險可靠的方法。

相關鏈接:高手維修變頻器經驗分享(一)
