
一般維修變頻器電路板,不外乎用在路電阻和電壓法兩種
『電阻檢測方法』

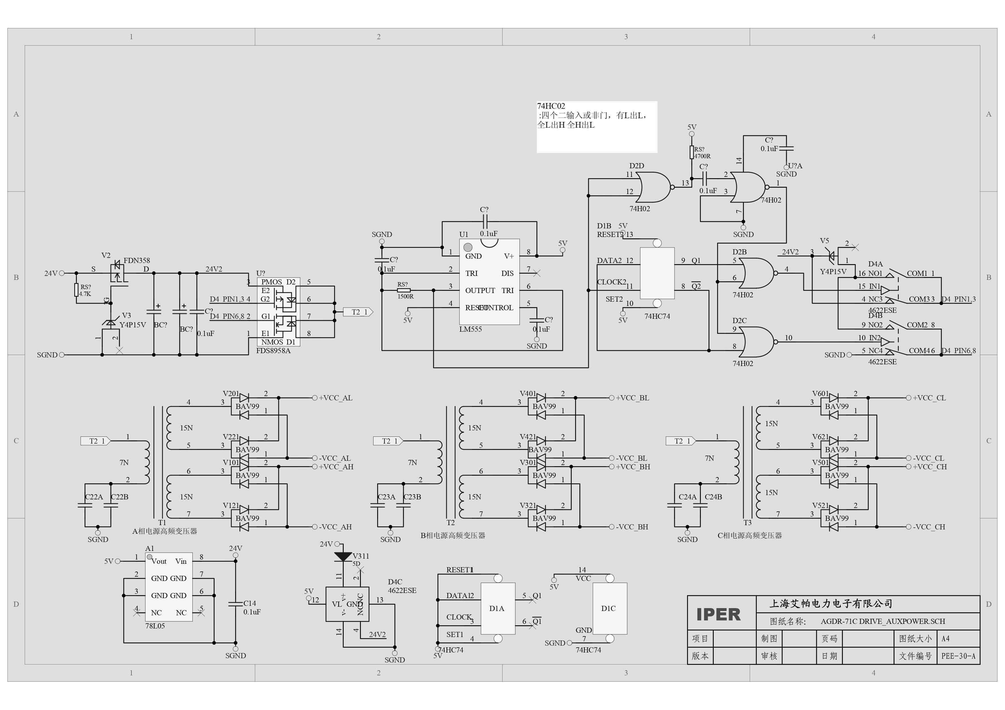
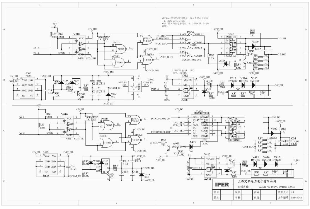
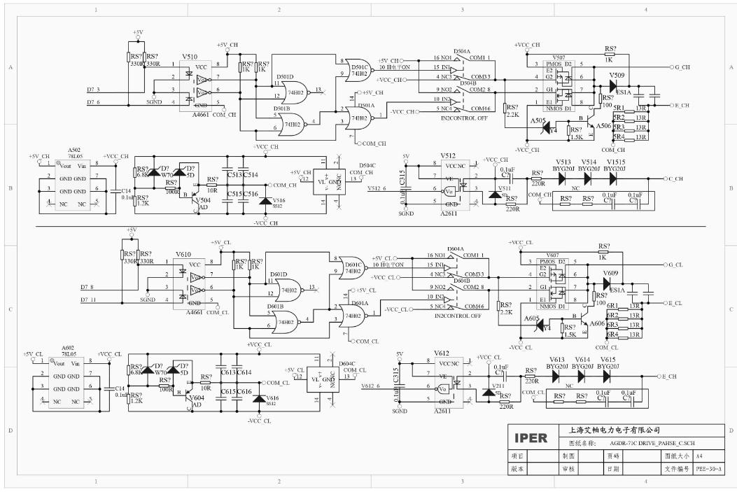
【3】驅動電路供電電源維修方法,(只說明其中一路,其他幾路維修方法相同。以A相電源為例)
1.測試整理二極管A7的在路電阻,+VCC和-VCC之間的在路電阻為5K左右,如明顯偏小,說明負載有短路現象,可檢測V207、C213-C216、V216、V211等。
2.高頻變壓器次級是由555時基電路振蕩電路產生的電壓,經過整理A7產生23.5V供V207、V212、A202,其中A202(78L05)1腳輸出5V電壓是各邏輯電路的工作電源。
3.如果整理二極管A7沒有短路現象,可以檢測A202(78L05)1-2之間的電阻,一般為3K左右,如有短路現象,可檢測D204(MAX4622A)、D201(74H02),常見為D201損壞。注意:在拆除MAX4622后不能通電試板,否則會損壞2個整理二極管A7。
『電壓檢測方法』
【1】:利用上述電阻方法檢測沒有明顯的短路現象后就可以用24V維修電源供電了,工作電流一般為240ma左右,如低100ma左右,說明其中1路沒有工作,如高100ma左右,說明有1路有輕微的短路現象
【2】:測試上下橋6個觸發靜態電壓,一般為-8.5V左右,如其中某個為0V,可以檢測4個13歐姆的電阻,4個電阻是并聯的,在路電阻為3.6歐姆左右,如為16V左右,可檢測V204等相關電路。
【3】用上圖方法屏蔽2340故障后就可以運行檢測動態電壓了,動態電壓一般在+3.8V左右抖動(10HZ),檢測6個觸發點的動態電壓,如其中某個沒有動態電壓或者還是-8.5V的靜態電壓,可檢測A4661,74H02,MAX4622,V207等,重點檢查驅動光耦初級過來的D5,D6,D7(HC125) 說明:
1.在上24V電源時,重點詳細檢查其負載電阻,在沒有排除24V負載短路現象后半夜輕易通24V電壓,否則極易損壞V2(冒煙)
2.重點詳細檢查各路驅動電路的24V和5V供電,在沒有排除其負載短路現象后不要通電,否則極易損壞2只整理二極管A7(冒煙)。
3.在屏蔽了2340報警后如啟動還報2340,說明6路驅動檢測電路有故障,可檢測V213,V214,V215等。
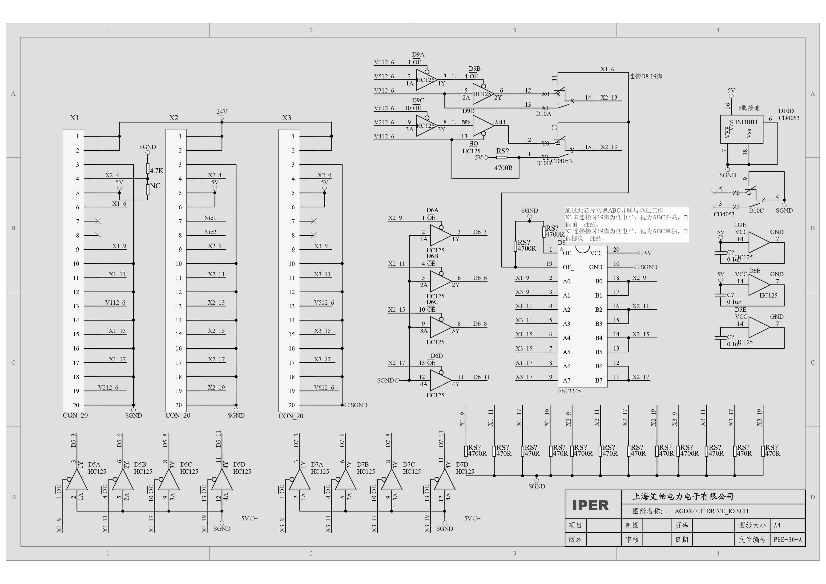
原理圖附件:



