

系統連接圖
...................................................................

...................................................................
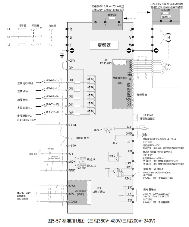
電氣接線圖
...................................................................

...................................................................
控制回路端子分布圖

參數一覽表
...................................................................
F0 基本功能
...................................................................



...................................................................
F1 電機參數

...................................................................
F2 矢量控制參數

...................................................................
F3 V/f控制參數

...................................................................
F4 輸入端子


DI輸入端子功能選擇

...................................................................
F5 輸出端子

DO數字量輸出功能選擇

AO模擬量輸出功能選擇

...................................................................
F6 啟停控制

...................................................................
F7 鍵盤與顯示


...................................................................
F8 輔助功能


...................................................................
F9 故障與保護




...................................................................
FA PID功能

...................................................................
FB 擺頻、定長和計數

...................................................................
FC 多段指令、簡易PLC


...................................................................
FD 通信波特率

...................................................................
FE 用戶定制功能碼

...................................................................
FP 功能碼管理

...................................................................
A0 轉矩控制參數

...................................................................
A1 虛擬IO


...................................................................
A2 第二電機參數

...................................................................
A5 控制優化參數

...................................................................
A6 AI曲線設定

...................................................................
A7 用戶可編程卡參數

...................................................................
A8 點對點通信

...................................................................
AC AIAO校正

...................................................................
U0 基本監視參數



相關鏈接:匯川MD500變頻器故障維修處理方法
