

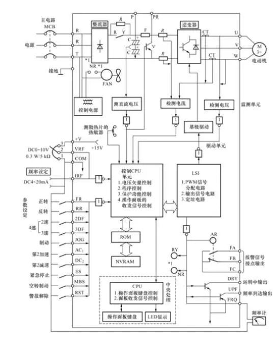
變頻器POFF故障通常指的是變頻器在停車狀態下出現的過壓故障。這種故障可能由多種原因引起,包括電源電壓過高、減速時間過短以及變頻器內部的電壓檢測單元發生故障等。下面將詳細介紹這些故障原因及相應的解決辦法,以確保變頻器能夠正常運行。

一、電源電壓過高
當電源電壓過高時,直流母線電壓會超過額定值,導致變頻器內部的繼電器吸合,進而關閉IGBT,使變頻器報警并顯示POFF故障。針對這一問題,可以采取以下措施:
加裝變壓器或調節調壓器:通過加裝變壓器或調節調壓器來降低電源電壓,使其保持在變頻器能夠接受的正常范圍內。這需要根據實際情況選擇合適的變壓器或調壓器,并進行正確的安裝和調試。
檢查和更換易損件:對于一些使用年限較長的設備或老舊設備,應定期檢查電容器、變壓器等易損件的工作狀態,并及時更換損壞或性能下降的部件,以確保電源電壓的穩定輸出。
二、減速時間過短
當電機減速時間過短時,電機處于發電狀態,回饋的能量會導致直流母線電壓升高,從而引發POFF故障。為解決這個問題,可以采取以下措施:
適當增加減速時間:通過調整變頻器的參數設置,適當增加電機的減速時間,使電機有足夠的時間將能量回饋給電網,避免母線電壓過高。
選擇具有過壓保護功能的變頻器:在購買變頻器時,應選擇具有過壓保護功能的產品。這種變頻器在電源電壓過高時能夠自動關閉IGBT,從而保護設備不受損壞。
三、電壓檢測單元發生故障
如果變頻器內部的電壓檢測單元發生故障,就無法正確地檢測電壓信號,導致變頻器誤報POFF故障。針對這種情況,可以采取以下措施:
更換損壞的元件或整個模塊:當電壓檢測單元中的元件或模塊損壞時,應及時更換損壞的部件,以恢復電壓檢測功能。這需要具備專業的維修技能和工具,因此建議聯系專業技術人員進行維修。
在解決變頻器POFF故障時,還需要注意以下幾點:
安全第一:在進行任何維修操作前,必須確保斷開變頻器的電源,以確保工作環境的安全。同時,應佩戴合適的防護用具,如絕緣手套、安全眼鏡等。
遵循維修流程:在維修過程中,應遵循正確的維修流程和步驟,避免盲目操作或隨意更換部件。如有不確定之處,應咨詢專業技術人員或查閱相關維修手冊。
保持記錄:在維修過程中,應詳細記錄故障現象、維修步驟和更換的部件等信息。這有助于為今后的維修工作提供參考和借鑒。
總之,變頻器POFF故障是一種常見的故障類型,可能由多種原因引起。在解決這類故障時,需要根據實際情況采取相應的措施進行排查和維修。同時,應重視日常維護和保養工作,及時發現并處理潛在的安全隱患,以確保變頻器的正常運行和延長其使用壽命。

