

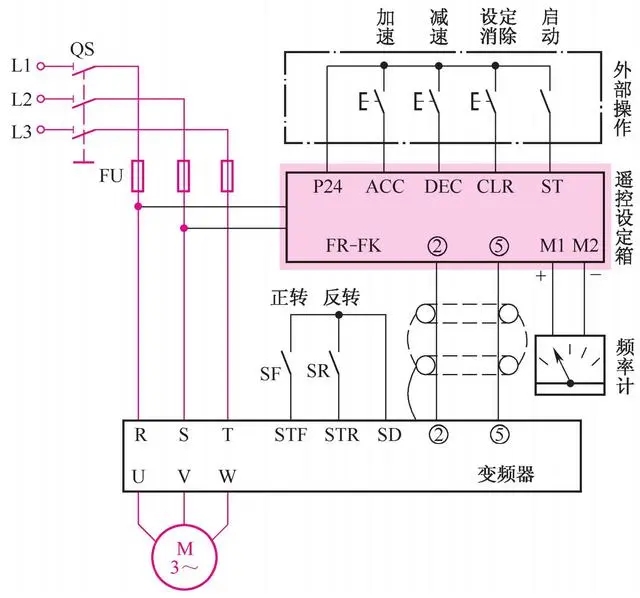
具有遙控設定箱的變頻器調速線路
具有遙控設定箱的變頻器調速線路如圖4-1所示, 它適用于變頻器不能就地操作或無法實現集中控制的場合。 圖中FR-FK為遙控設定箱。遙控設定箱外接加速、 減速、 設定消除3個按鈕和一個啟動開關。 操作時先合上啟動開關, 然后根據需要按動其他按鈕。 變頻器不僅可調速, 而且可換向。 如圖4-1所示, 將SF合上時, 電動機M正轉;扳下SF, 合上SR開關, 電動機M反轉。

圖4-1 具有遙控設定箱的變頻器調速線路
FR-FK的M1、 M2端子用來連接頻率計。 其②、 ⑤端與變頻器的②、 ⑤端用屏蔽線相連。
具有三速設定操作箱的變頻器調速線路
具有三速設定操作箱的變頻器調速線路如圖4-2所示, 它適于拋光、研磨、 攪拌、 脫水、 離心、 甩干、 清洗等機械設備在需要多段速度的工序中采用。 圖中FR-AT為三速設定操作箱, 它與變頻器之間須用屏蔽線連接。 通過S1、 S2、 S3這3個手動開關控制, 可以實現三速選擇。

圖4-2 具有三速設定操作箱的變頻器調速
VFD-007V23A變頻器接線線路
目前變頻器作為新穎的電氣設備, 在實際工作中得到了廣泛應用, VFD-007V23A變頻器接線線路就是實際應用線路之一, 如圖4-3所示。
VACON NX系列變頻器的輸入電壓是:200~ 240V、 380~500V、 525~690V (-15%~+10%);

圖4-3 VFD-007V23A變頻器接線線路
輔助電壓:外部輔助電源可以給控制線路供電, 可以給控制面板、內部驅動電路和現場總線供電,其參數為DC 24V, 300mA。
VACON NX系列變頻器的電動機輸出參數如下。
電壓:0~Uin 。
VACON NX系列變頻器的數字輸出:開路集電極輸出, 50mA/48V。
VACON NX系列變頻器的繼電器輸出:最大開關電壓, DC125V、AC250V。
VACON NX系列變頻器的最大開關負載:8A/DC24V、 0.4A/DC125V、2kVA/AC250V。
電動機變頻器的步進運行及點動運行線路
電動機變頻器的步進運行及點動運行線路如圖4-4所示。 此線路電動機在未運行時點動有效。 運行/停止由REV、 FWD端的狀態 (即開關) 來控制。 其中, REV、 FWD表示運行/停止與運轉方向, 當它們同時閉合時無效。

圖4-4 電動機變頻器的步進運行及點動運
轉速上升/轉速下降可通過并聯開關來實現在不同的地點控制同一臺電動機運行, 由X4、 X5端的狀態 (開關SB1、 SB2) 確定, 虛線即為設在不同地點的控制開關。
JOG端為點動輸入端子。 當變頻器處于停止狀態時, 短接JOG端與公共端 (CM) (即按下SB3), 再閉合FWD端與CM端之間連接的開關, 或閉合REV端與CM端之間連接的開關, 則會使電動機M實現點動正轉或反轉。
用單相電源變頻控制三相電動機線路
變頻控制有很多好處, 例如三相變頻器通入單相電源, 可以方便地為三相電動機提供三相變頻電源。 線路如圖4-5所示。

圖4-5 用單相電源變頻控制三相電動機線
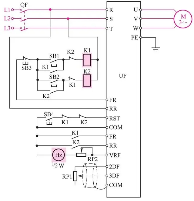
有正反轉功能變頻器控制電動機正反轉調速線路
對于有正反轉功能的變頻器, 可以采用繼電器來構成正轉、 反轉、外接信號。 有正反轉功能變頻器控制電動機正反轉調速線路如圖4-6所示。
正轉時, 按下按鈕SB1, 繼電器K1得電吸合并自鎖, 其常開觸點閉合, FR-COM連接, 電動機正轉運行;停止時, 按下按鈕SB3, K1失電釋放, 電動機停止。
反轉時, 按下按鈕SB2, 繼電器K2得電吸合并自鎖, 其常開觸點閉合, RR-COM連接, 電動機反轉運行;停止時, 按下按鈕SB3, K2失電釋放, 電動機停止。

有正反轉功能變頻器控制電動機正反轉調
事故停機或正常停機時,復位端子RST-COM斷開,發出報警信號。按下復位按鈕SB4, 使RST-COM連接, 報警解除。
圖4-6中Hz為頻率表, RP1為2W、 1kΩ線繞式頻率給定電位器, RP2為1/2W、 10kΩ校正電阻, 構成頻率調整回路。
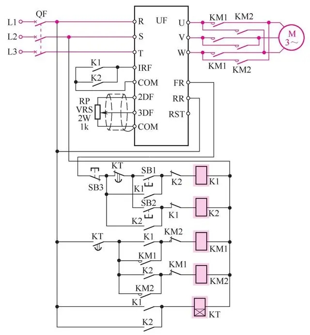
無正反轉功能變頻器控制電動機正反轉調速線路
有些變頻器無正反轉功能, 只能使電動機向一個方向旋轉, 這時采用本例線路可實現電動機正反轉運行。 無正反轉功能變頻器控制電動機正反轉調速線路如圖4-7所示。
正轉時, 按下按鈕SB1, 中間繼電器K1得電吸合并自鎖, 其兩副常開觸點閉合, IRF-COM接通, 同時時間繼電器KT得電進入延時工作狀態, 待延時結束后, KT延時閉合觸點動作, 使交流接觸器KM1得電吸合并自鎖, 電動機正轉運行。

無正反轉功能變頻器控制電動機正反轉調
欲使M反轉, 在IRF-COM接通后, 變頻器UF開始運行, 其輸出頻率按預置的升速時間上升至給定的相對應數值。 當按下停止按鈕SB3后, K1失電釋放, IRF-COM斷開, 變頻器UF輸出頻率按預置頻率下降至0, M停轉。 按下反轉按鈕SB2, 則反轉繼電器K2得電吸合, 使接觸器KM2吸合, 電動機反轉運行。
為了防止誤操作, K1、 K2互鎖。
RP為頻率給定電位器, 須用屏蔽線連接。 時間繼電器KT的整定時間要超過電動機停止時間或變頻器的減速時間。 在正轉或反轉運行中, 不可關斷接觸器KM1或KM2。
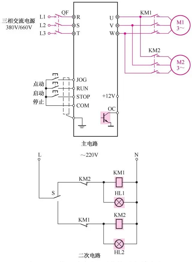
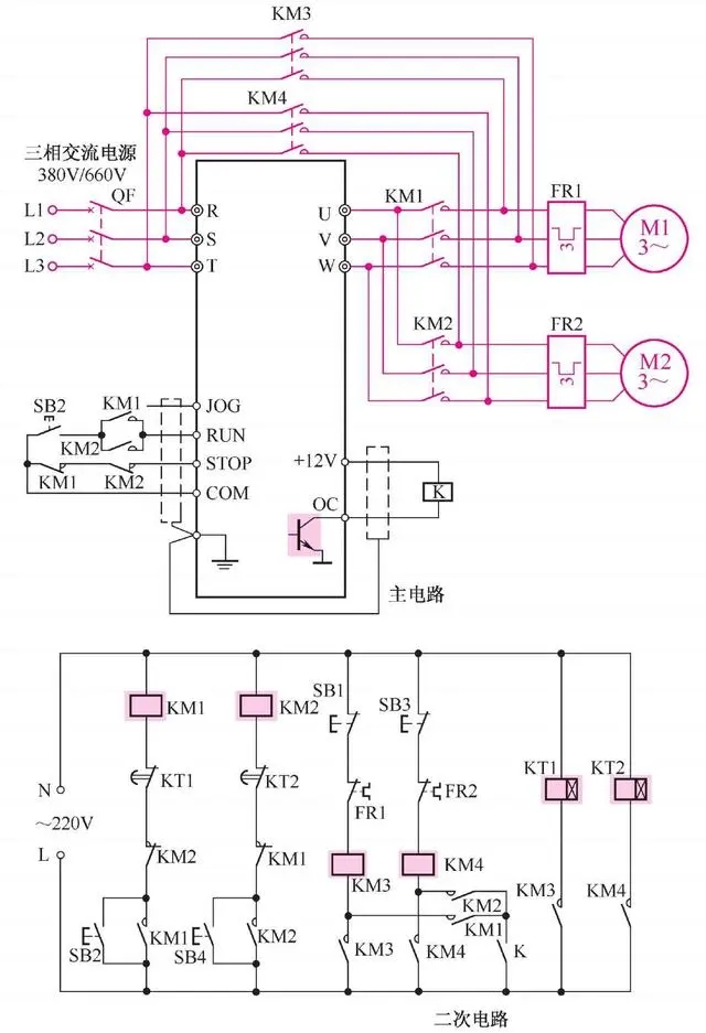
西普STR軟啟動器一臺控制兩臺電動機線路
用一臺軟啟動器控制兩臺電動機, 并不是指同時開啟兩臺電動機,而是開一臺, 另一臺作備用。
此例是電動機一開一備, 這就需要在軟啟動器外另接一部控制線路(見圖4-8,也叫二次電路)。 S為切換開關, S往上,則KM1動作,為啟動電動機M1做準備, 指示燈HL1亮, HL2滅;往下則KM1不工作, KM2工作, 指示燈HL2亮, HL1滅。 西普STR軟啟動器一臺控制兩臺電動機線路如圖4-8所示。

西普STR軟啟動器一臺控制兩臺電動機線
電動機工作之前, 需根據需要切換開關S, 然后在STR的操作鍵盤上按動RUN鍵啟動電動機;按動STOP鍵則停止。 JOG是點動按鈕,可根據需要自行設置安裝。
西普STR軟啟動器一臺啟動兩臺電動機線路

軟啟動器一臺啟動兩臺電動機線路
西普STR軟啟動器一臺啟動兩臺電動機線路如圖4-9所示。 先操作二次電路, 讓KM1吸合, 為啟動M1做好準備, 然后按下啟動按鈕SB2。因為只有KM1吸合后, SB2才有效, 在KM1吸合后, 旁路接觸器KM3吸合。 時間繼電器KT1開始延時, 延時結束后, KT1常閉觸點斷開,切斷KM1。 至此, 由旁路接觸器KM3為M1供電, 而STR軟啟動器已退出運行狀態。 用上述同樣方法, 啟動M2。
按下二次電路中的SB1、 SB3則M1、 M2停止運行。
BCK箔式繞組磁控式電動機軟啟動器線路
BCK箔式繞組磁控式電動機軟啟動器是一種交流異步電動機軟啟動裝置, 可減輕電動機啟動時對電網的沖擊擾動, 降低對電網容量的要求。 它采用繼電器、 可編程序控制器 (PLC) 或單片機控制系統,實現對異步電動機啟動過程和運行方式的手動與自動集中和就地控制,具有低耗節能、 適應重載啟動等優點。 BCK箔式繞組磁控式電動機軟啟動器線路如圖4-10所示。
BCK箔式繞組磁控式電動機軟啟動器與電子式軟啟動器的主要區別在于, 用無反饋箔式繞組磁放大器 (也稱可控電抗器) 取代晶閘管作為主線路執行單元。 它實現了磁電器件對磁電設備 (電動機) 的控制, 使兩者的抗過載能力處于同一水平, 大幅度地提高了整機的可靠性和啟動成功率;變晶閘管的斬波調壓為磁控限幅調壓, 輸出電壓波形為正弦波, 有效地抑制了電壓波形畸變和高次諧波對電網的污染,而且大大簡化了整機結構。 此外, 主線路與控制線路之間只有磁路的聯系而無線路的直接聯系, 只需要控制直流勵磁的變化即可實現軟啟動的功能。
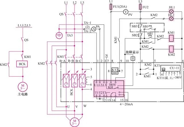
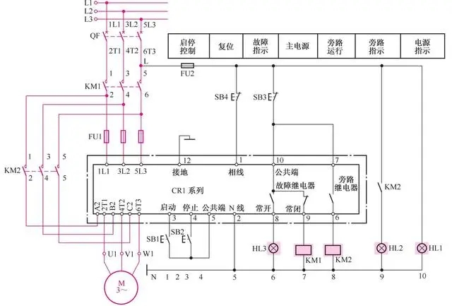
常熟CR1系列電動機軟啟動器帶旁路接觸器的線路
CR1-30~CR1-450電動機軟啟動器線路如圖4-11所示。 圖中QF為斷路器;FU1為快速熔斷器;KM1、 KM2為交流接觸器, 其中KM2為旁路接觸器;SB1為啟動按鈕, SB2為軟停按鈕, SB3為電動機急停按鈕, SB4為控制電源復位按鈕;HL1為電源指示燈, HL2為旁路指示燈, HL3為故障指示燈。

BCK箔式繞組磁控式電動機軟啟動器線路

常熟CR1系列電動機軟啟動器帶旁路接觸
當合上斷路器QF, HL1點亮, 表明電源接通。 按動SB1, KM1閉合, 軟啟動器工作, 電動機M軟啟動, 轉速逐漸上升。 當M轉速到達額定值時, KM2自動閉合, 將軟啟動器內部的主線路 (晶閘管) 短接, 從而使晶閘管等不致長期工作而發熱損壞。 工作完畢, 按動SB2使KM2關斷, 軟啟動器實現M軟停車 (逐漸減速)。 若是線路或M發生事故, 按動SB3, M則緊急停止運轉。 在事故停止時, HL3點亮;M運轉時HL2點亮。
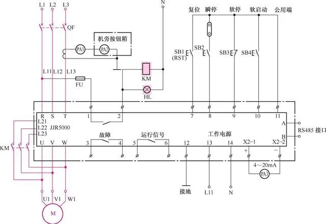
雷諾爾 JJR5000系列智能型軟啟動器線路
JJR5000系列智能型軟啟動器的接線線路如圖4-12所示。 JJR5000系列智能型軟啟動器有以下特點。
(1) JJR5000系列智能型軟啟動器適用于交流380V (50Hz)、 5.5~600kW各種負載的籠型電動機。
(2) 3種啟動方式:電壓斜坡啟動方式可得到最大的輸出轉矩,恒流軟啟動方式可得到最大的限制啟動電流, 重載啟動方式可輸出最大的啟動轉矩。
(3) 停止方式包括電壓斜坡軟停止方式及自由停止方式。
(4) 具有可編程延時啟動方式、 可編程連鎖控制及可編程故障接點輸出功能。
(5) 對輸入電源無相序要求。
(6) 啟動時間、 停止時間均可編程修改。
(7) 具有多種保護功能, 對過電流、 三相電流不平衡、 過熱、缺相、 電動機過載等進行保護。

雷諾爾JJR5000系列智能型軟啟動器線路
文章來源于網絡 版權歸原作者 如有侵權請聯系刪除

