" />


當變頻器主電路接好電源線之后,要控制電動機的運行,還需要給有關端子接上外圍接控制電路,并且將變頻器的啟動方式參數設為外部操作模式。

變頻器控制電動機運轉,常見的有兩種方式,分別是開關控制方式和繼電器控制方式:
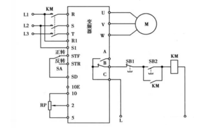
一、開關控制的正轉控制電路
開關控制的轉控制電路如下圖所示,它是依靠手動操作變頻器STF端子外接開關SA,來對電動機進行正轉控制。

開關控制方式
電路工作原理說明如下:
1、啟動準備:按下按鈕SB2,接觸器KM線圈得電,KM常開輔助觸點和主觸點均閉合,常開輔助觸點閉合鎖定KM線圈得電自鎖,KM主觸點閉合為變頻器接通主電源。
2、正轉控制:按下變頻器STF端子外接開關SA,STF、SD端子接通,相當于STF端子輸、輸入正轉控制信號,變頻器U、V、W端子輸出正轉電源電壓,驅動電動機正向運轉。調節端子外 電位器R,變頻器輸出電源頻率會發生改變,電動機轉速也隨之變化。
3、變頻器異常保護:若變頻器運行期間出現異常或故障,變頻器B、C端子間內部等效的常閉開關斷開,接觸器KM線圈失電,KM主觸點斷開,切斷變頻器輸入電源,對變頻器進行保護。
4、停轉控制:在變頻器正常工作時,將開關SA斷開,STF、 SD端子斷開,變頻器停止輸出電源,電動機停轉。
若要切斷變頻器輸入主電源,可按下按鈕SB1,接觸器KM線圈失電,KM主觸點斷開,變頻器輸入電源被切斷。
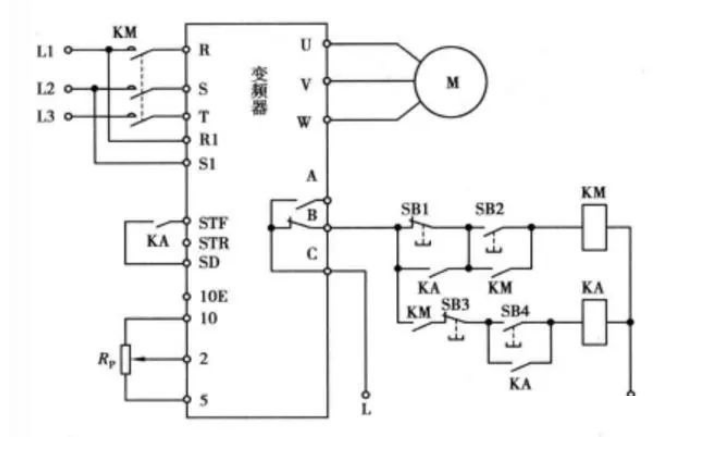
二、繼電器控制的正轉控制電路
繼電器控制的正轉控制電路如下圖所示

繼電器控制方式
電路工作原理說明如下:
1、啟動準備:按下按鈕SB2,接觸器KM線圈得電,KM主觸點和兩個常開輔助觸點均閉合,KM主觸點閉合為變頻器接通主電源,一個KM常開輔助觸點閉合,鎖定KM線圈得電,另一個KM常開輔助觸點閉合,為繼電器K中間A線圈得電作準備。
2、正轉控制:按下按鈕SB4,繼電器KA線圈得電,3 個KA常開觸點均閉合,一個常開觸點閉合鎖定KA線圈得電,一個常開觸點閉合將按鈕SB1短接,還有一個常開觸點閉合將STF、SD端子接通,相當于STF端子輸入正轉控制信號,變翻器U、V、W端子輸出正轉電源電壓,驅動電動機正向運轉。調節端子外接的電位器R,變頻器的輸出電源頻率會發生改變,電動機轉速也隨之變化。
3、變頻器異常保護:若變頻器異常期間出現故障,變頻器B、C端子之間內部等效的常閉開關斷開,接觸器KM線圈失電,KM主觸點斷開,切斷變頻器輸入人電源,對變頻器進行保護,同時繼電器KA線圈也失電,3個KA常開觸點均斷開。
4、停轉控制:在變頻器正常工作時,按下按鈕SB3,KA線圈失電,KA 3個常開觸點均斷開,其中一個KA常開觸點斷開使STF、SI)端子連接切斷,變頻器停止輸出電源,電動機停轉。
在變頻器運行時,若要切斷變頻器輸入主電源,須先對變頻器進行停轉控制,再按下按鈕SB1,接觸器KM線圈失電,KM主觸點斷開,變頻器輸入電源被切斷,如果沒有對變頻器進行停轉控制,而直接去按SB1,是無法切斷變頻器輸入主電源的。
這是因為變頻器正常工作時KA常開觸點已將SB1短接,斷開SB1無效,這樣做可以防止在變頻器工作時誤操作SB1切斷主電源
相關鏈接:如何搭建一個變頻器控制電機調速系統
