
1.引言
隨著變頻器在產業生產中日益廣泛的應用,了解變頻器控制電路故障點,主要器件的電氣特性和一些常用參數的作用,及其常見故障越來越顯示出其重要性。
給異步電動機供電 (電壓、頻率可調)的主電路提供控制信號的回路,稱為控制電路,如圖1所示。控制電路由以下電路組成:頻率、電壓的運算電路、主電路的電壓、電流檢測電路、電動機的速度檢測電路、將運算電路的控制信號進行放大的驅動電路,以及逆變器和電動機的保護電路。

圖 1
在圖1劃虛線內,無速度檢測電路為開環控制。在控制電路增加了速度檢測電路,即增加速度指令,可以對異步電動機的速度進行控制更精確的閉環控制。
1)運算電路將外部的速度、轉矩等指令同檢測電路的電流、電壓信號進行比較運算,決定逆變器的輸出電壓、頻率。
2)電壓、電流檢測電路
與主回路電位隔離檢測電壓、電流等。
3)驅動電路
為驅動主電路器件的電路,它與控制電路隔離使主電路器件導通、關斷。
4)I/0輸進輸出電路
為了變頻器更好人機交互,變頻用具有多種輸進信號的輸進 (比如運行、多段速度運行等)信號,還有各種內部參數的輸出“比如電流、頻率、保護動作驅動等)信號。
5)速度檢測電路
以裝在異步電動軸機上的速度檢測器 (TG、PLG等)的信號為速度信號,送進運算回路,根據指令和運算可使電動機按指令速度運轉。
6)保護電路
檢測主電路的電壓、電流等,當發生過載或過電壓等異常時,為了防止逆變器和異步電動機損壞,使逆變器停止工作或抑制電壓、電流值。
由于主回路的非線性 (進行開關動作),變頻器本身就是諧波干擾源,而其周邊控制回路卻是小能量、弱信號回路,極易遭受其它裝置產生的干擾,造成變頻器自身和周邊設備無法正常的工作。因此,變頻器在安裝使用時,必須對控制回路采取抗干擾措施。
1)變頻器的基本控制回路
同外部進行信號交流的基本回路有模擬與數字兩種:
① 4~20mA電流信號回路(模擬);1~5V/0~5V電壓信號回路(模擬)。
②開關信號回路,變頻器的開停指令、正反轉指令等 (數字)。
外部控制指令信號通過上述基本回路導進變頻器,同時干擾源也在其回路上產生干擾電勢,以控制電纜為媒體進侵變頻器。

2)干擾的基本類型及抗干擾措施。
①靜電耦合干擾:指控制電纜與四周電氣回路的靜電容耦合,在電纜中產生的電勢。
措施:加大與干擾源電纜的間隔,達到導體直徑 40倍以上時,干擾程度就不大明顯。
在兩電纜間設置屏蔽導體,再將屏蔽導體接地。
②靜電感應干擾:指四周電氣回路產生的磁通變化在電纜中感應出的電勢。干擾的大小取決干擾源電纜產生的磁通大小,控制電纜形成的閉環面積和干擾源電纜與控制電纜間的相對角度。
措施:一般將控制電纜與主回路電纜或其它動力電纜分離展設,分離間隔通常在 750px以上(最低為250px),分離困難時,將控制電纜穿過鐵管展設。將控制導體絞合,絞合間距越小,展設的路線越短,抗干擾效果越好。
③電波干擾:指控制電纜成為天線,由外來電波在電纜中產生電勢。
措施:同 1和2所述。必要時將變頻器放進鐵箱內進行電波屏蔽,屏蔽用的鐵箱要接地。
④接觸不良干擾:指變頻器控制電纜的電接點及繼電器觸點接觸不良,電阻發生變化在電纜中產生的干擾。
措施:對繼電器觸點接觸不良,采用并聯觸點或鍍金觸點繼電器或選用密封式繼電器。對電纜連接點應定期做擰緊加固處理。
⑤電源線傳導干擾:指各種電氣設備從同一電源系統獲得供電時,由其它設備在電源系統直接產生電勢。
措施:變頻器的控制電源由另外系統供電,在控制電源的輸進側裝設線路濾波器;裝設盡緣變壓器,且屏蔽接地。
⑥接地干擾:指機體接地和信號接地。對于弱電壓電流回路及任何不公道的接地均可誘發的各種意想不到的干擾,比如設置兩個以上接地點,接地處會產生電位差,產生干擾。
措施:速度給定的控制電纜取 1點接地,接地線不作為信號的通路使用。電纜的接地在變頻器側進行,使用專設的接地端子,不與其它接地端子共用,并盡量減少接地端子引接點的電阻,一般不大于100d。
3)其它留意事項
①裝有變頻器的控制柜,應盡量闊別大容量變壓器和電動機。其控制電纜線路也應避開這些漏磁通大的設備。
②弱電壓電流控制電纜不要接近易產生電弧的斷路器和接觸器。
③控制電纜建議采用 1.25mm×2或2mm×2屏蔽絞合盡緣電纜。
④屏蔽電纜的屏蔽要連續到電纜導體同樣長。電纜在端子箱中連接時,屏蔽端子要互相連接。
1)變頻器充電起動電路故障
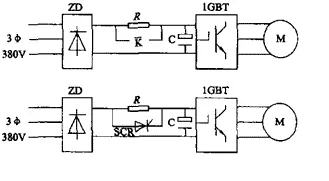
通用變頻器一般為電壓型變頻器,采用交—直—交工作方式,即是輸進為交流電源,交流電壓三相整流橋整流后變為直流電壓,然后直流電壓經三相橋式逆變電路變換為調壓調頻的三相交流電輸出到負載。當變頻器剛上電時,由于直流側的平波電容容量非常大,充電電流很大,通常采用一個起動電阻來限制充電電流,常見的變頻起動兩種電路,如圖 1所示。
充電完成后,控制電路通過繼電器的觸點或晶閘管將電阻短路,起動電路故障一般表現為起動電阻燒壞,變頻器報警顯示為直流母線電壓故障,一般設計者在設計變頻器的起動電路時,為了減少變頻器的體積選擇起動電阻,都選擇小一些,電阻值在10~50Ω,功率為10~50W。
當變頻器的交流輸進電源頻繁通時,或者旁路接觸器的觸點接觸不良時,以及旁路晶閘管的導通阻值變大時,都會導致起動電阻燒壞。如遇此情況,可購買同規格的電阻換之,同時必須找出引出電阻燒壞的原因。假如故障是由輸進側電源頻率開合引起的,必須消除這種現象才能將變頻器投進使用;假如故障是由旁路繼電器觸點或旁路晶閘管引起,則必須更換這些器件。

圖 2
2)變頻器無故障顯示,但不能高速運行
某廠一臺變頻器狀態正常,但調不到高速運行,經檢查,變頻器并無故障,參數設置正確,調速輸進信號正常,上電運行時測試出現變頻器直流母線電壓只有 450V左右,正常值為580~600V,再測輸進側,發現缺了一相,故障原因是輸進側的一個空氣開關的一相接觸不良造成的,為什么變頻器輸進缺相不報警仍能在低頻段工作呢?實際上變頻器缺一相輸進時,是可以工作的,多數變頻器的母線電壓下限為400V,即是當直流母線電壓降至400V以下時,變頻器才報告直流母線低電壓故障。
當兩相輸進時,直流母線電壓為380*1.2=452V>400V。當變頻器不運行時,由于平波電容的作用,直流電壓也可達到正常值,新型的變頻器都是采用PWM控制技術,調壓調頻的工作在逆變橋完成,所以在低頻段輸進缺相仍可以正常工作,但由于輸進電壓低輸出電壓低,造成異步電機轉矩低,頻率上不往。
3)變頻器顯示過流
出現這種故障顯示時,首先檢查加速時間參數是否太短,力矩提升參數是否太大,然后檢查負載是否太重。假如無這些現象,可以斷開輸出側的電流互感器和直流側的霍爾電流檢測點,復位后運行,看是否出現過流現象,假如出現的話,很可能是 1PM模塊出現故障,由于1PM模塊內含有過壓過流、欠壓、過載、過熱、缺相、短路等保護功能,而這些故障信號都是經模塊控制引腳的輸出Fn引腳傳送到微控器的,微控器接收到故障信息后,一方面封閉脈沖輸出,另一方面將故障信息顯示在面板上,一般更換1PM模塊。
4)變頻器顯示過壓故障
變頻器出現過壓故障,一般是雷雨天氣,由于雷電串進變頻器的電源中,使變頻器直流側的電壓檢測器動作而跳閘,在這種情況下,通常只須斷開變頻器電源 1min左右,再合上電源,即可復位;
另一種情況是變頻器驅動大慣性負載,就出現過壓現象,由于這種情況下,變頻器的減速停止屬于再生制動,在停止過程中,變頻器的輸出頻率按線性下降,而負載電機的頻率高于變頻器的輸出頻率,負載電機處于發電狀態,機械能轉化為電能,并被變頻器直流側的平波電容吸收,當這種能量足夠大時,就會產生所謂的“泵升現象”,變頻器直流側的電壓會超過直流母線的最大電壓而跳閘,對于這種故障,一是將減速時間參數設置長些或增大制動電阻或增加制動單元;二是將變頻器的停止方式設置為自由停車。
5)電機發熱,變頻器顯示過載
對于已經投進運行的變頻器假如出現這種故障,就必須檢查負載的狀況;對于新安裝的變頻器假如出現這種故障,很可能是 V/F曲線設置不當或電機參數設置有題目,如一臺新裝變頻器,其驅動的是一臺變頻電機,電機額定參數為220V/50Hz,而變頻器出廠時設置為380V/50Hz,由于安裝職員沒有正確設定變頻器的V/F參數,導致電機運行一段時間后轉子出現磁飽和,致使電機轉速降低,發熱而過載。
所以在新變頻器使用以前,必須設置好該參數,另外使用變頻器的無速度傳感器矢量控制方式時,沒有正確的設置負載電機的額定電壓、電流、容量等參數,也會導致電機熱過載,還有一種情形是設置的變頻器載波率過高時,也會導致電機發熱過載,最后一種情形是電氣設計者設計變頻器經常在低頻段工作,而沒有考慮到在低頻段工作的電機散熱變差的題目,致使電機工作一段時間后發熱過載,對于這種,需加裝散熱裝置。
采用變頻器作為異步電動機驅動器,盡管采用先進工藝和器件制造出來的新機可靠性非常高,但是假如使用不當或偶然事件也會發生造成變頻器的損壞。要想在生產過程中,使用好變頻器,熟悉變頻器的結構原理,了解常見故障,對工控維修人員尤為重要。
相關鏈接:變頻器維修常見故障處理方法!(整理收藏)