
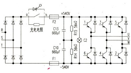
中小功率通用變頻器一般為電壓型變頻器,采用交—直—交工作方式。當變頻器剛上電時,由于直流側的濾波電容容量非常大,在剛充電的瞬間對電流相當于短路,電流會很大。如果在整流橋與電解電容之間不加充電電阻,則相當于380V電源直接對地短路,瞬間整流橋通過無窮大的電流導致整流橋炸掉。加上充電電阻限流后,要是不并繼電器或其他元件,充電電阻消耗功率也很大,很容易引發變頻器充電電阻和儲能電容故障。例如對于22kW的變頻器,在PN端(直流母線)上至少有45A的電流。如果“接控制電路”部分出問題(比如繼電器或者晶閘管等等質量有問題)則在變頻器運行一會兒充電電阻就將因發熱太大而壞掉。所以充電電阻串接在充電回路中,起通電瞬間限流充電,以保護整流器等一些輸入回路器件的作用,有的書本上也叫緩沖電阻或啟動電阻。西門子6SE701G變頻啟動電路如附圖所示。

充電完成后,控制電路通過繼電器的觸點或晶閘管將電阻短路,完成變頻器的上電過程。如果變頻器的交流輸入電源頻繁通斷,或者旁路接觸器的觸點接觸不良或晶閘管的導通阻值變大,反復充電或充電時間過長都會導致充電電阻燒壞。因此在替換充電電阻前,必須找出原因,才能再將變頻器投入使用。
但有的變頻器在啟動期間CPU是有一個電壓檢測和降頻動作的,如果接觸器線圈引線端子松動造成接觸不良,接觸器未能吸合,啟動時的較大電流在充電電阻上形成較大的壓降,主回路直流電壓的急劇跌落為電壓檢測電路所偵測,CPU會做出降頻指令,在空載或輕載時,檢測電路將欠壓故障“及時上報”,CPU馬上停機保護。電阻來不及燒掉,變頻器已經停機保護。
那么,如何選擇充電電阻的阻值呢?
380V交流電整流后經過充電電阻對電解電容充電,當充到一定值(比如DC200V)輔助電源啟動給控制板供電,讓控制板工作從而繼電器或晶閘管接通,充電電阻就不再工作了。在開機的瞬間,充電電阻越小,則流過整流橋的電流就越大。經常有初學變頻器維修者打來電話咨詢,更換了充電電阻,變頻器一開機,整流橋馬上就被炸掉了,是不是充電電阻選擇太小了呢?答案是否定的。
其實,在開機瞬間,一般情況下一開機炸掉整流橋不是因為選擇的充電電阻R小了,而是R太大導致整流橋的炸掉。因為變頻器開機后,電流經充電電阻去充電,當充的電足夠輔助電源啟動(比如200V),CPU工作,發出信號給繼電器或晶閘管可控硅讓其導通。在繼電器導通瞬間繼電器b點處電壓要是很低(比200V大),而a點電壓是AC380V直接整流過來大概在DC540V左右,所以a、b二端壓差很大。在觸發、導通瞬間電流很大,就好比a、b之間是一個很小的電阻,瞬間幾百伏電壓加上去,這樣整流橋流過的電流遠遠大于整流橋額定電流,所以把整流橋炸掉。
變頻器功率越大,充電電阻越小。因為變頻器功率越大,需要電解電容的容量就越大,而電容器的容量越大,所需要充電的時間就越長。RC決定充電時間,要想充電時間盡量短,只有把充電電阻R取小。一般充電電阻選擇:最大值最好不要超過300Ω,最小值最好大于等于10Ω,大功率變頻器選擇充電電阻小,小功率變頻器充電電阻大。
儲能電容 儲能電容容量的選擇
一般選擇經驗值為≥60μF/A。例如,一臺15kW的變頻器額定電流為30A,需要的電容容量為≥60μF/A×30 A即至少為1800μF,所以一般選擇4個2200μF(二并二串)或者2個4700μF的電容(二串聯)。當然還要考慮所選電容器的品牌,品牌不同,質量相差會很大。
有的人維修變頻器只對損壞的逆變模塊一換了之,往往用不了多長時間模塊再次損壞。出現這種情況會抱怨模塊質量不佳,用戶使用環境太差等等。其實,最重要的原因是他們沒有找出逆變模塊損壞的原因,沒有徹底清除故障隱患。
逆變模塊的損壞,除了負載長時間過載、散熱不良和雷電沖擊之外,究其內部原因,電容器的容量減小、失容和失效,是導致其損壞的致命殺手!其危害性不容忽視。容量減小,輕者表現為帶負載能力差,負載加重時往往引起直流回路欠壓跳閘故障,電容進一步損壞時,則形成對逆變模塊的致命打擊,此時,電壓檢測電路來不及做出反應,報出故障,造成逆變模塊損壞。
電容不良或失效以后(或容量變小),帶小功率負載(大馬拉小車)運行時表面上看不出什么異常,但接入較大功率負載后(滿載運行)情形就不一樣了。此時變頻器直流回路已完全(或者部分)喪失儲能濾波能力。直流回路是頻率為300Hz的脈動直流,電機啟動時的電流吸入,加大了脈動電流的脈動成分。這是電阻選小了對高壓電容不利,電阻選大了容易炸的原因之一。此外,如果電機繞組的反電勢或變頻器的某一輸出載波,恰好落在脈動直流的變化范圍之內,二者相互疊加,整個系統內脈動電流的急劇變化,恰好落到某一頻率點上,電路中的分布電感和分布電容不時的加入進來,各方面的不利因素的加入和互為作用,使回路中的動態能量急劇上升,瞬間危險的諧振過電壓在此時出現!逆變模塊中的IGBT管和電路中的尖峰電壓吸收二極管,它們的耐壓值在正常時有一定的甚至是較大的富裕量,但在此時高于耐壓值數倍的高電壓沖擊下,并無招架之功,也顯得非常脆弱,過電壓炸裂和擊穿短路也就不足為奇了。雖然變頻器有完善的電壓或電流保護檢測電路,但如果經常要面對此類瞬間電壓畸變,顯得無能無力,或有時根本無法做出適時的反應。
但儲能電容不良故障往往又較為隱蔽,可以說是軟故障,容易被人忽視。有的電容測其容量似乎沒有問題,也可以運行,但在運行中是一大隱患。尤其是大功率變頻器中的電容,如果環境惡劣運行年久,其引出電極常年累月經受數百赫茲的大電流充、放電沖擊,出現不同程度的腐蝕氧化現象,用電容表測量,容量無異常,但接在電路中,則因充、放電內阻增大,致使直流回路電壓跌落,變頻器不能正常工作,從而使檢修人員作出誤判,走彎路。再次強調:儲能電容失容后極易出現諧振過電壓導致模塊炸裂。
在這里特別強調:維修變頻器如果是三年以上或運行限更長的變頻器,不能忽略對儲能電容的檢查;對逆變模塊說不清道不明原因的損壞,則應徹底檢查、更換直流回路中的儲能電容!
相關鏈接:變頻器什么情況下需要配制動電阻?
下一頁:變頻器省電的四大誤區